Diode Clamped Converter

Hvdc Converter Wikipedia

Multilevel Inverter Dcmli Diode Clamped Multilevel

Performance Analysis Of Three Level Inverter For L Lcl


Techno Economic Evaluation Of Five Level Nested Neutral

Application Of Fourier Series Expansion To Electrical Power

Figure 12 From Capacitor Balance Issues Of The Diode Clamped

Full Text Paper

Solved One Leg Of A Diode Clamped Five Level Inverter Is

Design And Comparative Analysis Of Diode Clamped Multilevel

Multilevel Inverters A Comparative Study Of Pulse Width

Power Electronics In Small Scale Wind Turbine Systems

Six Level Three Phase Diode Clamped Inverter Advantages I

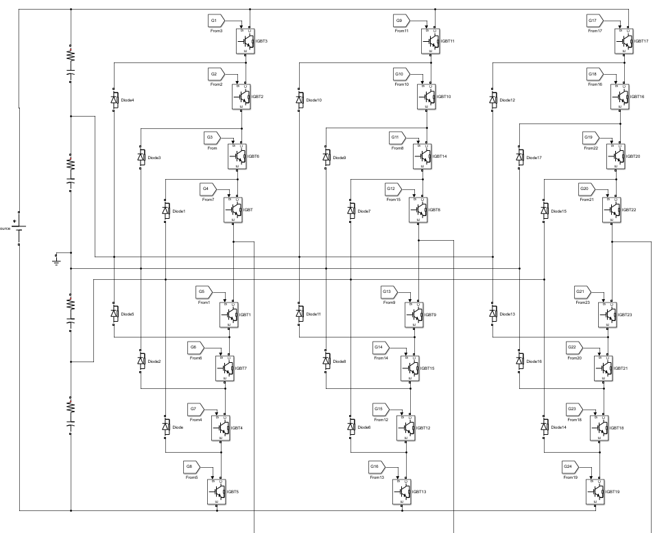
Four Level Neutral Point Clamped Npc Diode Clamped Inverter Simulation In Matlab Simulink Model
Spwm Diode Clamped 5 Level Inverter File Exchange Matlab

Diode Clamped Multilevel Inverter Fed Induction Motor By K
Comments
Post a Comment